PANNEAU D'ALARME IP CONNECT2GO

UNO/CG

Statut: En stock

CA$199.99

Description

Description

A new generation in hybrid security panel with IP communication built right in.

Take control

The Connect2Go UNO™ security panel is a powerful TCP-IP based security system, with the expandability to handle any sized system, all controlled from an intuitive, user-friendly App.

Get rid of your phone line

Because the UNO™ is an Internet based security system, you no longer need a phone line for your security system to send alarms to the central station or alerts to you or your contact's smartphone.

Spécifications

Spécifications

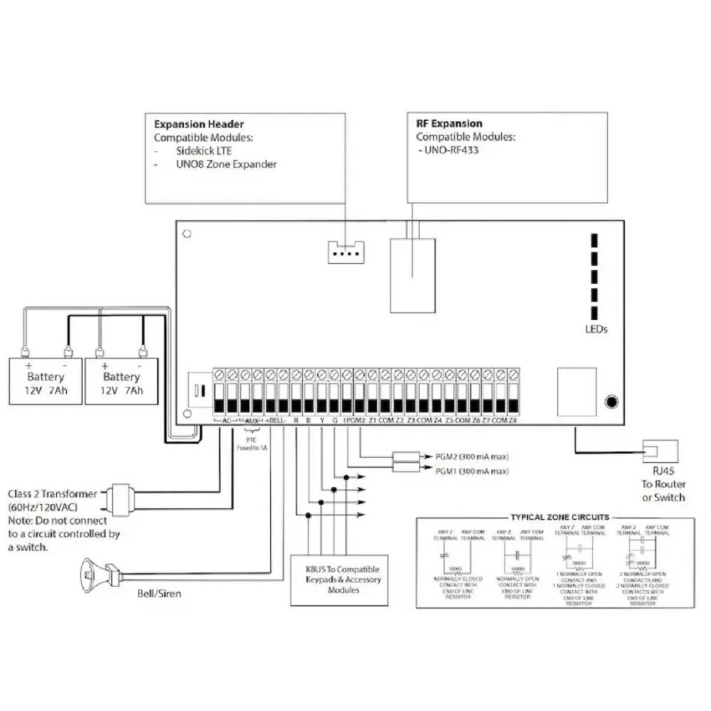
Panel Features
  • Up to 8 partitions
  • Supports up to 128 zones
  • Supports up to 128 users
  • 2 on-board (300mA) PGM outputs (more available)
  • Mounts in a standard security enclosure
  • Supports full UL/ULC alarm monitoring over IP
  • LTE option available
  • 100BaseT Ethernet Support
  • Remotely upgradable to allow for new features and services
  • Amazon Alexa and Google Home compatible
Retour