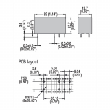
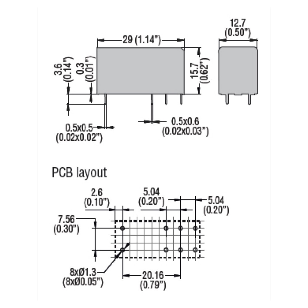
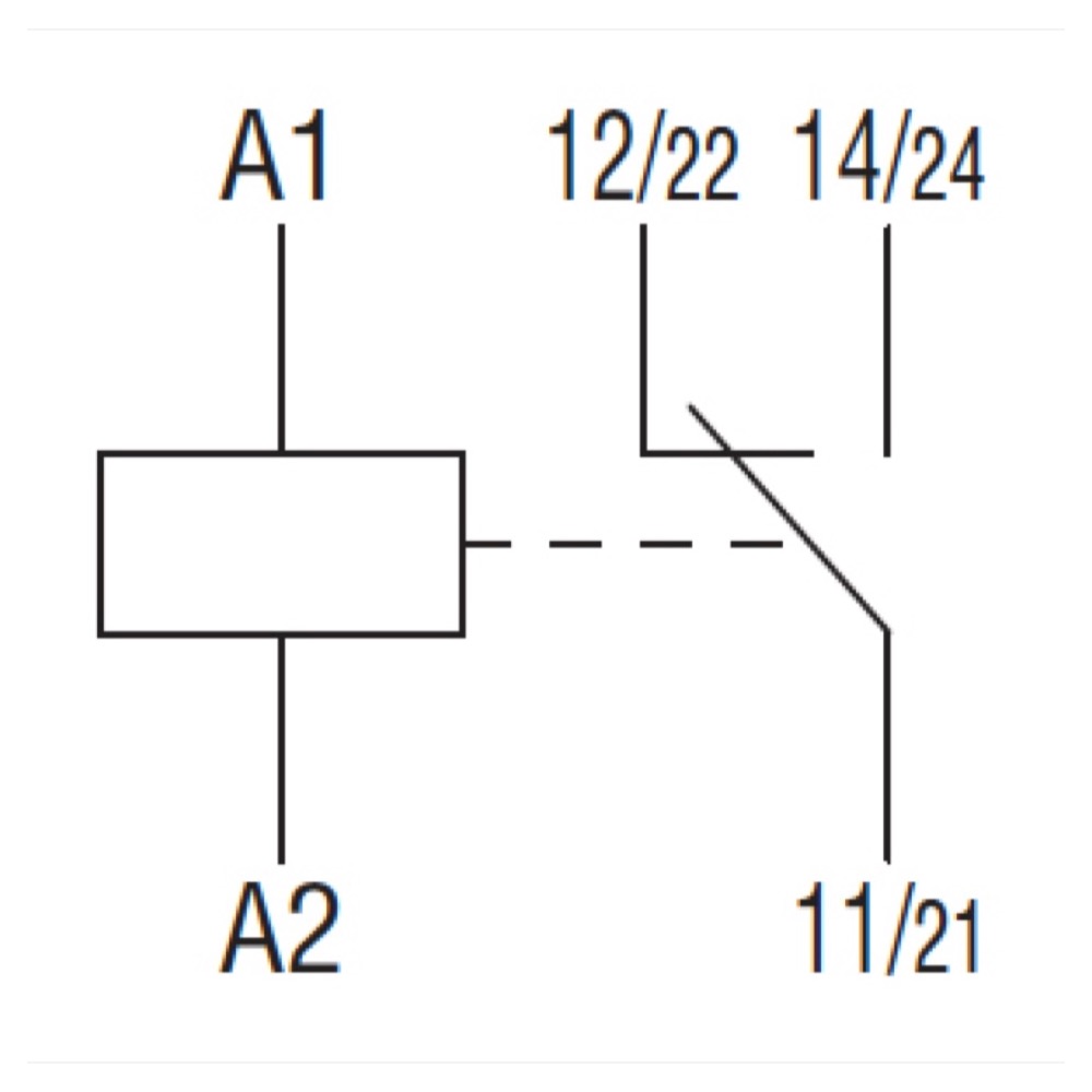
Relais LOVATO 120VAC 16A SPNO

HR3/01CA110

Statut: en rupture

CA$8.00
Retour