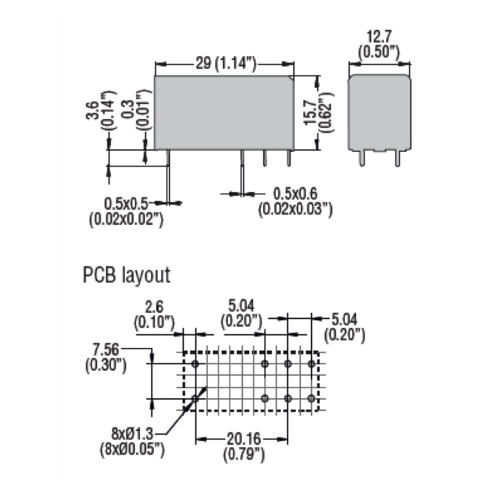
Relay LOVATO 24VAC 16A SPNO

HR3/01CA024

Status: In stock

CA$6.99
To top